PowerTree helps building professionals eliminate documentation chaos so you can make safer, faster decisions.

This creates confusion, slows projects down, and increases avoidable risk.
Guessing. Searching. Never fully sure.
chasing information across folders and old drawings.
happen because the latest version isn’t always the one you’re looking at.
caused by working with incomplete knowledge or outdated information.
Clarity. Confidence. Total control.
because the answer you need is at your fingertips.
with a single source of truth your team and subcontractors can rely on.
with clear visibility into loads and dependencies to avoid dangerous assumptions.
And we know how to fix it in weeks, not months
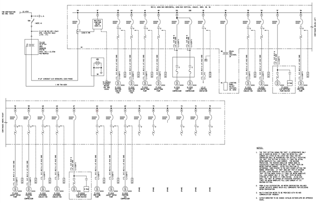
Master plans age, projects stay siloed, updates get missed, people leave and suddenly the archive everyone depends on is the one no one trusts.
Chasing missing updates across scattered information makes finding the truth feel like a mountain impossible to climb alone.
Our proven process centralizes, organizes, and validates your information in a few weeks, rebuilding a reliable and easy-to-use foundation.
TRUSTED BY BUILDING PROFESSIONALS ACROSS NORTH AMERICA
We’re committed to helping you succeed at every step.
From onboarding to rollout and beyond, our team guides and supports you so your documentation stays organized, reliable, and truly valuable.
Let’s walk through a real project together.















